Шина соединительная 3Р 100А РIN IEK YNS21-2-100 (шаг 18 мм), 1 м
Шины соединительные типа PIN (штырь) предназначены для сборки низковольтных комплектных устройств, соответствующих требованиям ГОСТ Р 51321.1 (МЭК 60439-1), на базе модульной аппаратуры.
Применяются для удобного и безопасного соединения групп ВА (выключатели автоматические), АД (автоматы дифференциальные), ВД (выключатели дифференциальные), ВН (выключатели нагрузки).
Шины с шагом 18 мм применяются для коммутации аппаратуры шириной, кратной одному модулю.
Шины, рассчитанные на номинальный ток 100 А, могут быть использованы с номинальным током 125 А, если вводной автомат подключать по центру.
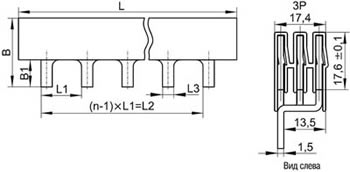
Размеры

| Размеры, мм | ||||||
|---|---|---|---|---|---|---|
| L | L1 | L2 | L3 | n, шт. | B | B1 |
| 1000 | 18 | 954 | 5 | 54 | 37,5 | 12 |
Материалы
- Шина выполнена из медных пластин и помещена в пластиковый изолирующий корпус, не поддерживающий горение.
Технические характеристики
| Тип подключения | PIN (штырь) |
| Максимальное количество подключаемых устройств | 54 |
| Размеры шага, мм | 18 |
| Общее количество полюсов | 3 |
| Номинальное напряжение, В | 230 / 400 |
| Номинальный продолжительный ток, А | 100 |
| Номинальное импульсное выдерживаемое напряжение Uimp, кВ | 4 |
| Номинальный кратковременно выдерживаемый ток Icw, кА | 15 |
| Номинальное напряжение изоляции, В | 600 |
| Температура эксплуатации, °С | -45... +40 |
| Степень загрязнения | 2 (ГОСТ Р 51321.1) |
| Вес изделия, г | 700 |
| Срок службы, не менее, лет | 15 |
Внимание!
- Рабочая контактная поверхность шины перед монтажом должна быть зачищена.
- При совместном подключении с шиной алюминиевых проводов (наконечников) к выводам аппаратуры на контактную часть провода (наконечника) должна быть нанесена защитная консистентная смазка.
Преимущества
- Доставка по всей России
- Более 200 000 товаров в ассортименте
- Профессиональная консультация
- Кабель БЕЗ опасности
- Качество по ГОСТу
|
Бренд
|
IEK |
|
Длина, мм
|
1000 |
|
Количество модулей (модульная ширина)
|
54 |
|
СрокГарантии, мес
|
1 |
|
Количество полюсов
|
3 |
|
Номинальный ток, А
|
100 |
|
Размер шага, мм
|
18 |
|
Тип шины
|
PIN |
-
Зайдите на страницу товара и нажмите на кнопку «В корзину».
Далее можно продолжить покупки или перейти к оформлению заказа.
-
Перейдите в Корзину и нажмите «Перейти к оформлению».
Можно авторизоваться или оформить заказ без регистрации. Зарегистрированные пользователи могут:
- Отслеживать статус заказа
- Получать спецпредложения и промокоды на дополнительные скидки
- Укажите Ваши контакты: ФИО, телефон и e-mail.
- Выберите способ получения заказа (доставка или пункт самовывоза) и способ оплаты.
- Далее «Оформить заказ».
Готово: ваш заказ создан! По электронной почте или в личном кабинете Вы можете отслеживать статус заказа.
Теперь останется только ждать доставки и радоваться новой покупке!
Оплачивайте покупки удобным способом.
В нашем интернет-магазине доступно 3 варианта оплаты:
- Оплата наличными или картой при самовывозе в пункте выдачи заказов/магазине.
- Онлайн-оплата на сайте при оформлении заказа. Для совершения покупки система перенаправит вас на страницу платежного сервиса. Здесь необходимо заполнить форму по инструкции.
- Оплата по счету для юридических лиц. Оплата происходит после предоставления реквизитов для выставления счета. Покупатель получает счет на указанный e-mail.
Доступно 3 варианта доставки:
- Самовывоз из магазина. Список торговых точек для выбора появится в корзине. Для получения заказа обратитесь к сотруднику в кассовой зоне и назовите номер заказа.
- Доставка транспортной компанией СДЭК или Почтой РФ в отделение или постамат.
По всем возникающим вопросам можете позвонить нам на горячую линию:
Ежедневно с 8:00 до 20:00 по МСК
E-mail: help@kristall43.ru
Адрес: 610000, г. Киров, ул. Щорса, 68г, кабинет 3